|
Bei allen Räderabbildungen
handelt es sich um Designbeispiele!
 |
|
AB-Topline
|
 |
AD-Cuprad
|
 |
AE-Tecnic
|
 |
|
AF-Rad
|
 |
AG-Cuprad
|
 |
AH-Turborad
|
 |
|
AK-Phönix
|
 |
AL-Cuprad
|
 |
AM (X)-Rad
|
 |
|
AN-Crossline
|
 |
AO-Phönix
|
 |
AP-Phönix
|
 |
|
AQ-Maxilite
|
 |
AR-Doppelspeiche
|
 |
AS-Speichenrad
|
 |
|
AT (ZD)-Rad
|
 |
AU Vesuv
|
 |
AV Prestige
|
 |
|
AW Crossline
|
 |
AX Crossline
|
 |
DA Sport
|
 |
|
DB-Rad
|
 |
DC-Rad
|
 |
Doppelspeiche
|
 |
|
FA-Funline
|
 |
MB Fünfloch
|
 |
MK Dynamik
|
 |
|
MX-Snowline
|
 |
NAJ
|
 |
NAP-Phönix
|
 |
|
ND Ultra
|
 |
PD-RAD
|
 |
P-Rad
|
 |
|
RAK Phönix
|
 |
RAL-Cuprad
|
 |
RAM (X)-Rad
|
 |
|
RAN Crossline
|
 |
RAT (ZD) Rad
|
 |
RAU Vesuv
|
 |
|
Topline AA
|
 |
XD-Rad
|
 |
X-Rad
|
 |
|
ZD-Rad
|
 |
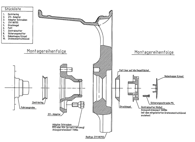
Zentralverschluß
|
 |
ZV-Design
|
 |
|
ZW1 Cuprad
|
 |
ZW2 Topline
|
 |
ZW3 Tecnic
|
 |
|
ZW4 Cuprad
|
 |
ZW5 ML-Cuprad
|
 |
ZW6 Prestige
|

|